AR60 精巧高效能固定式 UHF RFID Reader

AR60 是一款精巧、極具彈性的 固定式 UHF RFID 讀寫器, 提供1埠與2埠二種機型, 可依據 RFID 追蹤管控讀取點數, 彈性組合長短讀距 RFID 天線, 使用於各類智慧追蹤管控, 智慧製造, 生產履歷 等工業自動化應用。
- 1埠, 最大功率輸出 27dBm
- 2埠, 最大功率輸出 30dBm
AR60 是一台支援網路連線, 獨立運作的 UHF RFID 讀取器, 不須再外接電腦, 簡化 RFID 追蹤管控佈署之複雜度, 節省佈署與維運成本。
AR60 特色
- 高效能, 高靈敏度
- 快速便利多樣的軟體系統整合能力
- 開放Linux作業系統, 易於客製整合
- 體積小, 固定鎖孔, 輕鬆佈署
- GPIO port 整合周邊設備
- 電源啟用外部設備, 5V, 200mA 電源輸出
- 可搭配電池成為獨立運作的 RFID reader, 支援休眠模式, 延長電池使用時間
- 電源供應選項: PoE / 12V直流電 / 電池
- 通訊介面: Ethernet, USB HID, WiFi(選配)
- 附進階監控功能驅動程式
AR60 產品規格
| RFID協定支援 | EPCglobal UHF Class 1 Gen 2 / ISO 18000-6C |
|---|---|
| 頻段支援 |
|
| 天線連接埠數 |
|
| RF輸出功率 |
|
| 最遠Tag讀距 | 最遠可達 9m 讀距(搭配 6dBi 以上 RFID 天線) |
| 最大Tag讀速 | 最大讀速可達 50個/秒 |
| 資料傳輸介面 |
|
| 電源供應 | 支援 PoE IEEE 802.3af 與 802.3at (Type 1 & Type 2) |
| 作業溫度 | -20°C ~ +50°C |
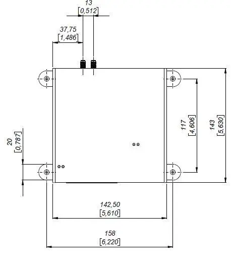
| 尺寸 | 143 x 143 x 30 mm |
| 重量 | 510g |
| 讀取器設定 | 支援 Web-based 介面連線調整設定 |
| 外部系統整合 |
|
AR60 外型尺寸



最新資訊
iRS36 企業級 Android 行動電腦
2026-03-05
RP980M 適用金屬材質 遠讀距 UHF RFID 標籤
2025-09-15
DR220 站立式 UHF RFID 讀取器 暨 條碼掃描器
2025-07-23
